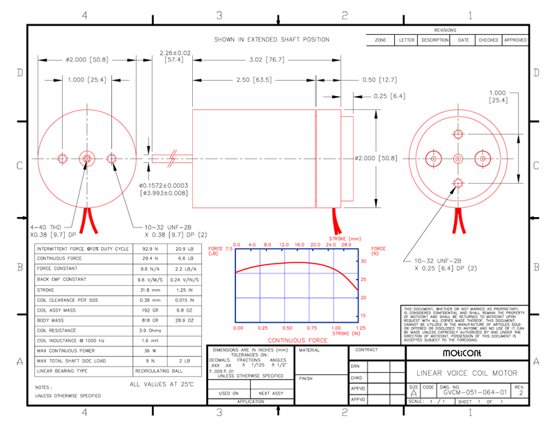
Vacuum Compatible Linear Motor with Internal Shaft & Bearing, GVCM-051-064-01VAC
Continuous
Force: 6.6 lb (29.4 N), Stroke: 1.25 in (31.8 mm)
|
|
|
|
|
| Housing Outside Diameter, 2.000 inch, 50.8 mm | ||||||||
|
||||||||
| Model # | Stroke | Continuous Force | Intermittent Force @ 10% Duty Cycle | Housing Length | ||||
| GVCM-051-064-01VAC | 1.25 | inch | 6.6 | lb | 20.9 | lb | 2.50 | inch |
Datasheet in PDF ![]() |
31.8 | mm | 29.4 | N | 92.9 | N | 63.5 | mm |
Drawing quick view
![]() |
Download 3D STEP | |||||||
| Share this page: |
| Tweet |























